一、培养目标
本专业培养适应社会主义现代化建设需要,德、智、体、美、劳全面发展,知识、能力、素质协调统一,具有良好的道德文化素养、扎实的专业基础知识和较强的社会责任感,能适应行业和区域经济社会一线工作需要的“厚品德、强基础、善实践、会创新”的高素质应用型人才。
本专业毕业生毕业后五年左右能够达到下列目标:
目标1:道德修养:具备健全人格、道德文化素养和社会责任感,在工程实践中自觉遵守职业道德和规范,重视价值引导和优秀传统文化的传承,能够自觉弘扬和践行社会主义核心价值观,不断增强“四个自信”。
目标2:工程能力:能够综合运用专业及相关知识,解决涉及本专业领域的复杂工程问题, 能对工程项目提供解决方案,在工程实践中坚持发展和弘扬科学精神、探索创新精神。
目标3:运行管理:能够综合运用专业技术,考虑社会、法律、环境等多种非技术因素,能够承担本专业相关领域现场运维、项目管理等工作,成为所在单位的骨干。
目标4:终身学习:能够与时俱进,通过不断自主学习来拓展自己的知识和能力,跟踪国内外技术前沿和发展趋势,服务于本专业领域的创新发展和产业升级。
目标5:团队协作:具有良好的沟通能力、国际视野、良好的团队合作精神和组织协调能力,能与同事、专业的客户和公众等有效沟通。
二、毕业要求
本专业主要学习机器人工程的原理与方法,机器人控制原理与技术,机器人系统集成技术等领域的基本知识,获得现代机器人运营和维护工程师的基本训练,具有进行机器人产品设计、系统集成以及生产组织管理的基本能力。本专业毕业生应具有以下几方面的知识、能力和素质:
1. 工程知识:能够了解本学科的理论前沿与发展动态,综合运用数学、自然科学、工程基础和专业知识,解决机器人领域的复杂工程问题。
2. 问题分析:能够应用数学、自然科学、机器人工程专业理论和技术方法,通过信息检索、文献研究,能够识别、表达和分析机器人工程领域的复杂工程问题,并获得有效结论。
3. 设计/开发解决方案:能够在分析现有问题的基础上,设计针对机器人工程领域复杂工程问题的解决方案和满足特定需求的单元、系统,并能通过方案评估、实验或仿真检验设计的合理性。同时,要有大局观,能够在设计环节中体现创新意识,综合考虑社会、健康、安全、法律、文化以及环境等因素。
4. 研究:能够在分析现有问题、提出解决方案的基础上,基于科学原理并采用科学方法,对机器人工程领域复杂工程问题进行提炼,设计实验,获取、分析处理与解释数据,并通过对各种研究手段获取的信息进行综合,得到合理有效的结论。
5. 使用现代工具:能够针对机器人工程领域的复杂工程问题,开发、选择与使用恰当的技术、资源、现代工程工具和信息技术工具,用于复杂工程问题的预测、模拟、分析与解决,并在此基础上,理解各种现代工具的局限性。
6. 工程与社会:能够基于机器人工程相关背景知识进行合理分析,评价机器人工程领域工程实践和复杂工程问题解决方案对社会、健康、安全、法律以及文化的影响,并理解因实施解决方案可能产生的后果及应承担的责任。
7. 环境和可持续发展:理解和评价针对机器人工程领域复杂工程问题的工程实践对环境、社会可持续发展的影响。
8. 职业规范:具有人文社会科学素养、社会责任感,高尚的思想道德修养及一定的法律基础,正确的人生观和理想信念,了解机器人工程领域相关的生产、设计、研究与开发的行业和职业规范,以及国内外相关的标准和技术,能够在工程实践中理解并遵守工程职业道德和规范,履行责任。
9. 个人和团队:能够在多学科背景下的团队中承担个体、团队成员以及负责人的角色。
10. 沟通:能够就机器人工程领域复杂工程问题与业界同行、社会公众进行有效沟通和交流,包括撰写报告、设计文稿、陈述发言、清晰表达或回应指令。并具备一定的国际视野,能够在跨文化背景下进行专业技术领域沟通和交流。
11. 项目管理:具有较好的组织管理能力,理解并掌握机器人工程领域项目管理原理与经济决策方法,并能在多学科环境中应用。
12. 终身学习:对机器人工程领域的理论和技术发展趋势有明确的认识,具有自主学习和终身学习的意识,有不断学习和适应社会发展的能力。
三、主干学科
机械工程,控制科学与工程
四、核心课程
工程制图、工程力学、机械设计基础、机械制造技术基础、电工电子技术、控制工程技术,传感器及测试技术、工厂电气控制及PLC、机器人学,机器人驱动及控制。
五、学制与学位
基本学制:4年;修业年限:3~6年;授予学位:工学学士。
六、学分学时分配表
项目 |
通识平台 |
学科基础平台 |
专业平台 |
实践能力 训练平台 |
合计 |
类别 |
学时学分比例 |
学时学分 |
学分 |
48.5 |
42.5 |
52 |
32 |
175 |
学分比例 |
27.71% |
24.29% |
29.71% |
18.29% |
100.00% |
学时 |
708 |
700 |
824 |
640 |
2872 |
学时比例 |
24.65% |
24.37% |
28.69% |
22.28% |
100.00% |
必修 |
学分 |
34.5 |
38.5 |
42 |
32 |
147 |
学分比例 |
19.71% |
22.00% |
24.00% |
18.29% |
84.00% |
学时 |
644 |
636 |
664 |
660 |
2604 |
学时比例 |
22.42% |
22.14% |
23.12% |
22.98% |
90.67% |
选修 |
学分 |
14 |
4 |
8 |
0 |
26 |
学分比例 |
8.00% |
2.29% |
4.57% |
0.00% |
14.86% |
学时 |
224 |
64 |
128 |
0 |
416 |
学时比例 |
7.80% |
2.23% |
4.46% |
0.00% |
14.48% |
理论 |
学分 |
37.325 |
38.375 |
38 |
0 |
113.7 |
学分比例 |
21.33% |
21.93% |
21.71% |
0.00% |
64.97% |
学时 |
650 |
590 |
710 |
0 |
1950 |
学时比例 |
22.63% |
20.54% |
24.72% |
0.00% |
67.90% |
实践 |
学分 |
3.175 |
4.625 |
8 |
32 |
47.8 |
学分比例 |
1.81% |
2.64% |
4.57% |
18.29% |
27.31% |
学时 |
58 |
90 |
136 |
660 |
944 |
学时比例 |
2.02% |
3.13% |
4.74% |
22.98% |
32.87% |
七、教学时间分配表
项目 |
第一学年 |
第二学年 |
第三学年 |
第四学年 |
小计 |
一 |
二 |
三 |
四 |
五 |
六 |
七 |
八 |
课堂教学 |
15.5 |
17.5 |
18.5 |
17.5 |
13.5 |
14.5 |
14.5 |
0 |
111.5 |
独立实践 |
2 |
1 |
2 |
5 |
2 |
2 |
5 |
15 |
34 |
复习考试 |
1 |
1 |
1 |
1 |
1 |
1 |
1 |
0 |
7 |
机动 |
0.5 |
0.5 |
0.5 |
0.5 |
0.5 |
0.5 |
0.5 |
2 |
5.5 |
教学周数合计 |
19 |
20 |
20 |
20 |
20 |
20 |
20 |
17 |
156 |
假期实践 |
0 |
0 |
(1) |
(3) |
(1) |
(1) |
0 |
0 |
(2) |
学年周数合计 |
39 |
40(4) |
40(2) |
37 |
156(6) |
八、各学期课程设置一览表
学期 |
课程名称 |
学分 |
学时 |
考核方式 |
学期 |
课程名称 |
学分 |
学时 |
考核方式 |
第 一 学 期 |
思想道德修养与法律基础 |
2.5 |
40 |
考查 |
第 二 学 期 |
中国近现代史纲要 |
2.5 |
40 |
考查 |
形势与政策 |
0 |
8 |
考查 |
形势与政策 |
0 |
8 |
考查 |
军事理论 |
2 |
36 |
考查 |
大学英语 |
3 |
48 |
考试 |
职业生涯与发展规划 |
0.5 |
8 |
考查 |
大学体育 |
1 |
36 |
考查 |
机器人导论 |
1 |
16 |
考查 |
高等数学(下) |
5 |
80 |
考试 |
大学计算机信息技术 |
3 |
48 |
考查 |
C语言程序设计 |
4 |
64 |
考试 |
大学英语 |
3 |
48 |
考试 |
大学物理1(上) |
3 |
48 |
考试 |
大学体育 |
1 |
36 |
考查 |
大学生心理健康教育 |
2 |
32 |
考查 |
高等数学(上) |
5 |
80 |
考试 |
大学物理实验1(上) |
1 |
24 |
考查 |
工程制图(上)* |
4 |
64 |
考试 |
创新思维与创新方法 |
1 |
16 |
考查 |
军训与入学教育 |
1 |
2周 |
考查 |
工程制图(下)* |
2.5 |
44 |
考查 |
|
|
|
|
工程制图课程设计 |
1 |
1周 |
考查 |
小计 |
23 |
384/2周 |
|
小计 |
26 |
440/1周 |
|
第 三 学 期 |
马克思主义基本原理 |
3 |
48 |
考试 |
第 四 学 期 |
毛泽东思想和中国特色社会主义理论体系概论 |
4 |
64 |
考试 |
形势与政策 |
0 |
8 |
考查 |
形势与政策 |
2 |
8 |
考查 |
大学英语 |
4 |
64 |
考试 |
大学英语 |
2 |
32 |
考试 |
大学体育 |
1 |
36 |
考查 |
大学体育 |
1 |
36 |
考查 |
大学物理1(下) |
3 |
48 |
考试 |
概率论与数理统计 |
3 |
48 |
考查 |
大学物理实验1(下) |
1 |
24 |
考查 |
电工电子技术1(下) |
3 |
48 |
考试 |
线性代数 |
2 |
32 |
考查 |
机械设计基础 |
5 |
80 |
考试 |
电工电子技术1(上) |
3 |
48 |
考试 |
思想政治理论课实践 |
2 |
2周 |
考查 |
工程力学 |
4 |
64 |
考试 |
电工电子实习1 |
1 |
1周 |
考查 |
金工实习 |
2 |
2周 |
考查 |
机械设计基础课程设计 |
2 |
2周 |
考查 |
劳动实践 |
|
1周 |
考查 |
劳动实践 |
|
1周 |
考查 |
小计 |
23 |
372/3周 |
|
小计 |
25 |
316/6周 |
|
第 五 学 期 |
形势与政策 |
0 |
2 |
考查 |
第 六 学 期 |
形势与政策 |
0 |
2 |
考查 |
专业英语 |
2 |
32 |
|
信息检索 |
1 |
16 |
考查 |
机器人学 |
3 |
48 |
考试 |
工厂电气控制及PLC |
2.5 |
40 |
考试 |
嵌入式系统开发与应用 |
3 |
48 |
考试 |
传感器及测试技术 |
2.5 |
40 |
考试 |
就业指导 |
0.5 |
8 |
考查 |
机器人执行器设计 |
2 |
32 |
考试 |
机器人驱动及控制 |
3 |
48 |
考试 |
工业机器人编程技术 |
3 |
48 |
考试 |
液压及气压传动 |
2 |
32 |
考试 |
专业拓展课程 |
2 |
32 |
考查 |
控制工程技术 |
3 |
48 |
考试 |
经济管理基础 |
2 |
32 |
考查 |
专业拓展课程 |
2 |
32 |
考查 |
工厂电气控制及PLC课程设计 |
1 |
1周 |
考查 |
液压与气压传动课程设计 |
1 |
1周 |
考查 |
工业机器人编程实践 |
1 |
1周 |
考查 |
嵌入式系统综合实践周 |
1 |
1周 |
考查 |
劳动实践 |
|
1周 |
考查 |
劳动实践 |
|
1周 |
考查 |
|
|
|
|
小计 |
20.5 |
298/3周 |
|
小计 |
19 |
242/3周 |
|
第 七 学 期 |
形势与政策 |
0 |
2 |
考查 |
第 八 学 期 |
形势与政策 |
2 |
2 |
考查 |
工业网络与通讯 |
3 |
48 |
考查 |
毕业设计(论文) |
12 |
15周 |
|
机器人系统设计与应用 |
3 |
48 |
考查 |
|
|
|
|
专业拓展课程 |
2 |
32 |
考查 |
|
|
|
|
工业机器人操作综合实践 |
2 |
2周 |
考查 |
|
|
|
|
工业网络与通讯综合实践 |
1 |
1周 |
考查 |
|
|
|
|
生产实习 |
2 |
2周 |
考查 |
|
|
|
|
小计 |
13 |
130/5周 |
|
小计 |
14 |
2/15周 |
|
九、教学进程计划
1.课堂教学进程计划
课程类别 |
课程 性质 |
课程代码 |
课程名称 |
学分 |
总学时 |
讲课 |
实践 |
理论课外 |
各学期学时分配(周学时) |
考核方式 |
开课单位 |
备注 |
1 |
2 |
3 |
4 |
5 |
6 |
7 |
8 |
通识平台 |
公共基础课程 |
必修 |
2011200 |
思想道德修养与法律基础 |
2.5 |
40 |
40 |
0 |
0 |
3 |
|
|
|
|
|
|
|
|
马院 |
|
2310020 |
中国近现代史纲要 |
2.5 |
40 |
40 |
0 |
0 |
|
3 |
|
|
|
|
|
|
|
马院 |
|
2011170 |
马克思主义基本原理 |
3 |
48 |
48 |
0 |
0 |
|
|
3 |
|
|
|
|
|
|
马院 |
|
2310010 |
毛泽东思想和中国特色社会主义理论体系概论 |
4 |
64 |
64 |
0 |
0 |
|
|
|
4 |
|
|
|
|
|
马院 |
|
2310041-48 |
形势与政策 |
2 |
40 |
40 |
0 |
0 |
2 |
2 |
2 |
2 |
2 |
2 |
2 |
2 |
|
马院 |
|
4310070 |
军事理论 |
2 |
36 |
24 |
12 |
0 |
2 |
|
|
|
|
|
|
|
|
学工处 |
|
4210031-34 |
大学体育1-4 |
4 |
144 |
128 |
16 |
0 |
2 |
2 |
2 |
2 |
|
|
|
|
|
体育部 |
|
4312010 |
大学生心理健康教育 |
2 |
32 |
32 |
0 |
0 |
|
2 |
|
|
|
|
|
|
|
学工处 |
|
1912151 |
大学英语1 |
3 |
48 |
48 |
0 |
|
4 |
|
|
|
|
|
|
|
|
外国语 |
分类教学 |
1912152 |
大学英语2 |
3 |
48 |
48 |
0 |
|
|
4 |
|
|
|
|
|
|
|
外国语 |
分类教学 |
4610040 |
信息检索 |
1 |
16 |
10 |
6 |
0 |
|
|
|
|
|
2 |
|
|
|
|
|
1311860 |
大学计算机信息技术 |
3 |
48 |
24 |
24 |
0 |
3 |
|
|
|
|
|
|
|
|
计算机 |
|
2013870 |
职业生涯与发展规划 |
0.5 |
8 |
8 |
0 |
0 |
2 |
|
|
|
|
|
|
|
|
招就处 |
|
1850120 |
创新思维与创新方法 |
1 |
16 |
16 |
0 |
0 |
|
2 |
|
|
|
|
|
|
|
商学院 |
|
4510030 |
就业与创业指导 |
1 |
16 |
16 |
0 |
0 |
|
|
|
|
|
|
2 |
|
|
招就处 |
|
选修 |
1912153-1 |
大学英语3 |
2 |
32 |
32 |
0 |
0 |
|
|
4 |
|
|
|
|
|
|
外国语 |
分类教学 |
1912154 |
英语选修1 |
2 |
32 |
32 |
0 |
0 |
|
|
|
2 |
|
|
|
|
|
外国语 |
分类教学 |
创新创业实践 |
4 |
包括学科竞赛、科技创新项目、发表论文、创业活动等 |
|
素质拓展 |
选修 |
人文素养类 |
3 |
2-7学期选修(含劳动教育课程1学分) |
|
社会科学类 |
3 |
2-7学期选修(理工农类专业) |
|
自然科学类 |
0 |
2-7学期选修(经管文法艺术类专业) |
|
小计 |
48.5 |
708 |
650 |
58 |
0 |
|
|
|
|
|
|
|
|
|
|
|
学科 基础 平台 |
必修 |
4110291 |
高等数学(上) |
5 |
80 |
80 |
0 |
0 |
6 |
|
|
|
|
|
|
|
考试 |
数理 |
分类 |
4110292 |
高等数学(下) |
5 |
80 |
80 |
0 |
0 |
|
6 |
|
|
|
|
|
|
考试 |
数理 |
分类 |
4110331 |
大学物理1(上) |
3 |
48 |
48 |
0 |
0 |
|
3 |
|
|
|
|
|
|
考试 |
数理 |
|
4110332 |
大学物理1(下) |
3 |
48 |
48 |
0 |
0 |
|
|
3 |
|
|
|
|
|
考试 |
数理 |
|
4110351 |
大学物理实验1(上) |
1 |
24 |
0 |
24 |
0 |
|
2 |
|
|
|
|
|
|
考查 |
数理 |
|
4110352 |
大学物理实验1(下) |
1 |
24 |
0 |
24 |
0 |
|
|
2 |
|
|
|
|
|
考查 |
数理 |
|
4110710 |
线性代数 |
2 |
32 |
32 |
0 |
0 |
|
|
2 |
|
|
|
|
|
考查 |
数理 |
|
4110750 |
概率论与数理统计 |
3 |
48 |
48 |
0 |
0 |
|
|
|
4 |
|
|
|
|
考试 |
数理 |
|
1111016 |
工程制图(上)* |
4 |
64 |
64 |
0 |
|
6 |
|
|
|
|
|
|
|
考试 |
机材 |
|
1118800 |
工程制图(下)* |
2.5 |
44 |
24 |
0 |
20 |
|
4 |
|
|
|
|
|
|
考查 |
机材 |
|
1218220 |
电工电子技术1(上) |
3 |
48 |
42 |
6 |
0 |
|
|
4 |
|
|
|
|
|
考试 |
自动化 |
|
1218230 |
电工电子技术1(下) |
3 |
48 |
44 |
4 |
0 |
|
|
|
3 |
|
|
|
|
考试 |
自动化 |
|
8100260 |
经济管理基础 |
2 |
32 |
32 |
0 |
0 |
|
|
|
|
|
2 |
|
|
考查 |
商学院 |
|
1110370 |
机器人导论(双语) |
1 |
16 |
16 |
0 |
0 |
2 |
|
|
|
|
|
|
|
考查 |
机材 |
|
选修 |
1316470 |
C语言程序设计 |
4 |
64 |
32 |
32 |
0 |
|
4 |
|
|
|
|
|
|
考试 |
计算机 |
选一 |
1310870 |
Python程序设计III |
4 |
64 |
32 |
32 |
0 |
|
4 |
|
|
|
|
|
|
考试 |
计算机 |
小计 |
42.5 |
700 |
590 |
90 |
20 |
|
|
|
|
|
|
|
|
|
|
|
专业 平台 |
专业课程 |
必修 |
1113020 |
工程力学* |
4 |
64 |
58 |
6 |
0 |
|
|
4 |
|
|
|
|
|
考试 |
机材 |
|
1113030 |
机械设计基础* |
5 |
80 |
72 |
8 |
0 |
|
|
|
5 |
|
|
|
|
考查 |
机材 |
|
1111158 |
机械制造技术基础* |
3 |
48 |
44 |
4 |
0 |
|
|
|
|
|
|
|
|
考查 |
机材 |
|
1119340 |
机器人学* |
3 |
48 |
44 |
4 |
0 |
|
|
|
|
4 |
|
|
|
考试 |
机材 |
|
1143650 |
专业英语 |
2 |
32 |
32 |
0 |
0 |
|
|
|
|
3 |
|
|
|
考查 |
机材 |
|
1314250 |
嵌入式系统开发与应用 |
3 |
48 |
40 |
8 |
0 |
|
|
|
|
3 |
|
|
|
考试 |
计算机 |
|
1110390 |
控制工程技术*◆ |
3 |
48 |
40 |
8 |
0 |
|
|
|
|
4 |
|
|
|
考试 |
机材 |
|
1110400 |
传感器与测试技术* |
2.5 |
40 |
34 |
6 |
0 |
|
|
|
|
|
3 |
|
|
考试 |
机材 |
|
1112230 |
液压与气压传动 |
2 |
32 |
28 |
4 |
0 |
|
|
|
|
3 |
|
|
|
考试 |
机材 |
|
1110410 |
机器人驱动及控制* |
3 |
40 |
34 |
6 |
0 |
|
|
|
|
3 |
|
|
|
考查 |
机材 |
|
1110190 |
工厂电气控制及PLC*◆ |
2.5 |
40 |
32 |
8 |
0 |
|
|
|
|
|
4 |
|
|
考试 |
机材 |
|
1119350 |
机器人执行器设计 |
2 |
32 |
28 |
4 |
0 |
|
|
|
|
|
4 |
|
|
考试 |
机材 |
|
1110450 |
工业网络与通讯 |
3 |
48 |
44 |
4 |
0 |
|
|
|
|
|
|
4 |
|
考试 |
机材 |
|
1110460 |
工业机器人编程技术 |
3 |
48 |
24 |
24 |
0 |
|
|
|
|
|
3 |
|
|
考试 |
机材 |
|
1119360 |
机器人系统设计与应用◆* |
3 |
48 |
44 |
4 |
0 |
|
|
|
|
|
|
4 |
|
考试 |
机材 |
|
小计 |
44 |
696 |
602 |
98 |
|
|
|
|
|
|
|
|
|
|
|
|
专业拓展课程 |
选修 |
1119070 |
工程有限元方法 |
2 |
40 |
0 |
0 |
40 |
|
|
|
|
|
2 |
|
|
考查 |
机材 |
选一 |
1118730 |
虚拟仪器技术及应用 |
2 |
40 |
0 |
0 |
40 |
|
|
|
|
|
2 |
|
|
考查 |
机材 |
1119030 |
Solidworks基础设计 |
2 |
40 |
0 |
0 |
40 |
|
|
|
|
2 |
|
|
|
考查 |
机材 |
选一 |
1119040 |
CREO 基础设计 |
2 |
40 |
0 |
0 |
40 |
|
|
|
|
2 |
|
|
|
考查 |
机材 |
1112970 |
数控技术及编程 |
2 |
32 |
28 |
4 |
|
|
|
|
|
|
2 |
|
|
考查 |
机材 |
选一 |
1110500 |
机器人操作系统 |
2 |
32 |
28 |
4 |
|
|
|
|
|
|
2 |
|
|
考查 |
机材 |
1110540 |
移动机器人技术 |
2 |
32 |
16 |
16 |
|
|
|
|
|
|
2 |
|
|
考查 |
机材 |
1110510 |
机器人视觉 |
2 |
32 |
28 |
4 |
|
|
|
|
|
|
|
2 |
|
考查 |
机材 |
选一 |
1110520 |
机器人系统仿真 |
2 |
32 |
16 |
16 |
|
|
|
|
|
|
|
2 |
|
考查 |
机材 |
1118850 |
智能制造技术基础◆ |
2 |
32 |
28 |
4 |
|
|
|
|
|
|
|
2 |
|
考查 |
机材 |
小计 |
20 |
352 |
144 |
48 |
160 |
|
|
|
|
|
|
|
|
|
|
|
合计 |
周学时 |
|
|
|
|
|
|
|
|
|
|
|
|
|
|
|
|
总学时 |
|
2072 |
1818 |
238 |
188 |
|
|
|
|
|
|
|
|
|
|
|
总学分 |
143 |
|
|
|
|
|
|
|
|
|
|
|
|
|
|
|
注:1.课程名称后面标注“*”的课程是核心课程;课程名称后面标注“★”的课程是在企业完成的课程(实践环节);课程名称后面标注“◆”的课程是交叉课程;2.周学时、总学时不含创新创业实践和素质拓展课程。
2.实践教学进程表
课程性质 |
课程代码 |
课程名称 |
学分 |
周数 |
各学期周数分配 |
考核方式 |
开课 单位 |
备注 |
1 |
2 |
3 |
4 |
5 |
6 |
7 |
8 |
必修 |
4310030 |
军训及入学教育 |
1 |
2 |
2 |
|
|
|
|
|
|
|
考查 |
学工处 |
|
必修 |
5108830 |
思想政治理论课实践 |
2 |
2 |
|
|
|
2 |
|
|
|
|
考查 |
马院 |
暑假 |
必修 |
5210981-84 |
劳动实践 |
(2) |
4 |
|
|
1 |
1 |
1 |
1 |
|
|
考查 |
各学院 |
|
必修 |
5108790 |
工程制图课程设计 |
1 |
1 |
|
1 |
|
|
|
|
|
|
考查 |
机材 |
|
必修 |
5101280 |
金工实习 |
2 |
2 |
|
|
2 |
|
|
|
|
|
考查 |
机材 |
|
必修 |
5108841 |
电工电子实习1 |
1 |
1 |
|
|
|
1 |
|
|
|
|
考查 |
电子 |
|
必修 |
5102380 |
液压与气压传动课程设计 |
1 |
1 |
|
|
|
|
1 |
|
|
|
考查 |
机材 |
|
必修 |
5100960 |
机械设计基础课程设计 |
2 |
2 |
|
|
|
2 |
|
|
|
|
考查 |
机材 |
|
必修 |
111024S |
嵌入式系统综合实践 |
1 |
1 |
|
|
|
|
1 |
|
|
|
考查 |
机材 |
|
必修 |
111025S |
工业网络与通讯综合实践 |
1 |
1 |
|
|
|
|
|
|
1 |
|
考查 |
机材 |
|
必修 |
5141700 |
生产实习 |
2 |
2 |
|
|
|
|
|
|
2 |
|
考查 |
机材 |
|
必修 |
111015S |
工厂电气控制及PLC课程设计 |
1 |
1 |
|
|
|
|
|
1 |
|
|
考查 |
机材 |
|
必修 |
111028S |
工业机器人编程实践 |
1 |
1 |
|
|
|
|
|
1 |
|
|
考查 |
机材 |
|
必修 |
111027S |
工业机器人操作综合实践 |
2 |
2 |
|
|
|
|
|
|
2 |
|
考查 |
机材 |
|
必修 |
5109260 |
毕业设计(论文) |
12 |
15 |
|
|
|
|
|
|
|
15 |
考查 |
机材 |
|
合计 |
32(2) |
40 |
|
|
|
|
|
|
|
|
|
|
|
(注:劳动实践与劳动教育课程合计2学分,此处实践教学进程表的总学分中不计劳动实践的2个学分)
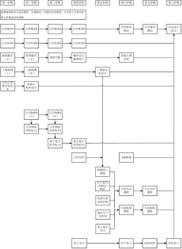
十、课程结构拓扑图

十一、课程与毕业要求关系矩阵图
毕业要求 课程名称 |
1工程知识 |
2问题分析 |
3设计/开发解决方案 |
4研究 |
5使用现代工具 |
6工程与社会 |
7环境与可持续发展 |
8职业规范 |
9个人和团队 |
10沟通 |
11项目管理 |
12终身学习 |
思想道德修养与法律基础 |
|
|
|
|
|
|
H |
M |
|
|
|
|
形势与政策 |
|
|
|
|
|
|
H |
|
|
|
|
|
马克思主义基本原理 |
|
|
|
|
|
|
|
|
|
|
|
M |
大学生心理健康教育 |
|
|
|
|
|
|
|
|
H |
|
|
M |
军事理论 |
|
|
|
|
|
|
|
M |
|
|
|
|
大学英语 |
|
|
|
|
|
|
|
|
|
H |
|
|
大学计算机信息技术 |
|
|
|
|
|
|
|
|
|
|
|
|
大学体育 |
|
|
|
|
|
|
|
|
M |
|
|
|
创新创业基础 |
|
|
|
|
|
|
|
H |
|
|
H |
H |
军事理论 |
|
|
|
|
|
H |
|
H |
|
|
|
|
中国近现代史纲要 |
|
|
|
|
|
H |
H |
|
|
|
|
|
毛泽东思想和中国特色社会主义理论体系概论 |
|
|
|
|
|
|
H |
|
H |
|
|
|
就业指导 |
|
|
|
|
|
|
|
H |
|
|
H |
|
文献检索 |
|
H |
|
|
|
|
|
|
|
|
|
H |
大学计算机信息技术 |
|
|
|
|
H |
|
|
|
|
H |
|
|
C语言程序设计 |
|
|
|
H |
H |
|
|
|
|
|
|
|
大学物理 |
H |
H |
|
|
|
|
|
|
|
|
|
|
大学物理实验 |
|
H |
|
H |
|
|
|
|
|
|
|
|
线性代数 |
H |
|
|
H |
|
|
|
|
|
|
|
|
概率论与数理统计 |
H |
|
|
H |
|
|
|
|
|
|
|
|
工程制图* |
H |
H |
|
|
|
|
|
|
|
|
|
|
电工电子技术 |
|
H |
|
|
|
|
|
H |
|
|
|
|
经济管理基础 |
|
|
|
|
|
H |
|
|
|
H |
|
|
机器人导论(双语) |
|
H |
|
|
|
|
|
|
|
H |
|
|
高等数学 |
H |
|
H |
|
|
|
|
|
|
|
|
|
工程力学* |
|
H |
|
|
|
|
|
H |
|
|
|
|
机械设计基础* |
H |
|
H |
|
|
|
|
|
|
|
|
|
机器人驱动及控制 |
|
H |
|
|
|
|
H |
|
|
|
|
|
工厂电气控制及PLC* |
H |
|
|
H |
|
|
|
|
|
|
|
|
传感器及测试技术 |
H |
|
|
H |
|
|
|
|
|
|
|
|
控制工程技术* |
H |
|
|
H |
|
|
|
|
|
|
|
|
液压与气压传动* |
H |
|
|
H |
|
|
|
|
|
|
|
|
三维数字化设计 |
|
|
|
|
H |
|
|
|
|
H |
|
|
机器人执行器设计 |
|
|
H |
H |
H |
|
|
|
|
|
|
|
工业机器人编程技术 |
|
|
H |
|
H |
|
|
|
|
|
|
|
机器人系统设计与应用 |
|
|
H |
|
|
|
|
H |
|
|
|
|
工业网络与通讯 |
|
|
H |
|
H |
|
|
|
|
|
|
|
专业拓展课程 |
|
|
|
|
H |
|
|
|
|
|
|
H |
文化素质课程 |
|
|
H |
|
|
|
|
|
|
H |
|
H |
创新创业实践 |
|
|
|
|
|
|
|
|
H |
|
H |
|
军训及入学教育 |
|
|
|
|
|
|
|
H |
H |
|
|
|
工程制图课程设计 |
H |
H |
|
|
|
|
|
|
|
|
|
|
思想政治理论课实践 |
|
|
|
|
|
H |
|
H |
|
|
|
|
金工实习 |
|
|
|
|
|
H |
H |
|
|
H |
|
|
电工电子实习 |
|
|
|
H |
|
|
|
|
|
H |
|
|
液压与气压传动课程设计 |
|
|
H |
|
|
|
|
|
|
H |
|
|
机械设计基础课程设计 |
|
H |
|
|
|
|
|
|
|
H |
|
|
嵌入式系统综合实践 |
|
|
H |
|
|
|
|
|
|
H |
|
|
工业网络与通讯综合实践 |
|
|
H |
|
|
|
|
|
|
H |
|
|
工厂电气控制及PLC课程设计 |
|
|
H |
|
|
|
|
|
|
H |
|
|
生产实习 |
|
|
H |
|
|
H |
|
H |
|
|
|
|
工业机器人操作实践 |
|
|
H |
|
|
|
|
|
|
H |
|
|
工业机器人操作综合实践 |
|
|
H |
|
H |
|
|
|
H |
|
|
|
毕业设计(论文) |
|
H |
H |
H |
H |
|
|
|
|
H |
|
|
十二、毕业与学位授予标准
1. 毕业标准
(1)具有良好的思想和身体素质,符合学校规定的德育和体育标准;
(2)修完人才培养方案规定的所有课程和环节,取得规定的学分,毕业设计(论文)成绩合格。
2. 学位授予标准
符合英国威廉集团学士学位授予条件。
十三、辅修专业教学计划
课程代码 |
课程名称 |
学分 |
学时 |
实践学时 |
开课学期 |
考核 方式 |
备注 |
1113010 |
工程制图 |
4 |
64 |
0 |
1 |
考试 |
|
1113020 |
工程力学* |
4 |
64 |
6 |
3 |
考试 |
|
1113030 |
机械设计基础* |
5 |
80 |
8 |
4 |
考试 |
|
1119340 |
机器人学* |
3 |
48 |
4 |
5 |
考试 |
|
1110410 |
机器人驱动及控制* |
3 |
40 |
34 |
6 |
考试 |
|
1110400 |
传感器与测试技术* |
2.5 |
40 |
6 |
6 |
考试 |
|
1111813 |
工厂电气控制及PLC |
3 |
40 |
8 |
6 |
考试 |
|
1112482 |
工业机器人编程技术 |
3 |
40 |
8 |
6 |
考试 |
|
1119360 |
机器人系统设计与应用◆* |
3 |
48 |
4 |
7 |
考试 |
|
合计 |
30.5 |
464 |
50 |
|
|
|